受託開発におけるCO2排出量算定のルールを策定
本SmartGrid フォーラム・サイトで昨年(2023年)9月に掲載した「ソフトウェア分野におけるカーボンフットプリント策定支援事業がスタート!」の成果が、2024年3月29日に発表された。内容はソフトウェア製品に関するCO2排出量算定のルールで、開発には次の9社が参加している。日本電信電話株式会社(以下、NTT)、株式会社NTT データグループ、NTT アドバンステクノロジ株式会社、NTT テクノクロス株式会社、NTT コムウェア株式会社、株式会社クニエ、株式会社日立製作所、日本電気株式会社、富士通株式会社。
今回発表されたCO2排出量算定ルールは、NTTが以前から研究していたグリーンソフトウェア開発・運用技術の知見や実験データをもとに、受託開発におけるソフトウェア製品に関してのルールを策定したもの。ICT(情報通信)業界のCO2削減は、主にPCやサーバなどハードウェア製品で進められてきたが、今回のルール策定によってソフトウェア製品への波及が期待される。今後はさらに実証実験を重ね、ルールの実用性向上やその普及を目指す。
設計段階でも排出量を算定、グリーン調達を可能に
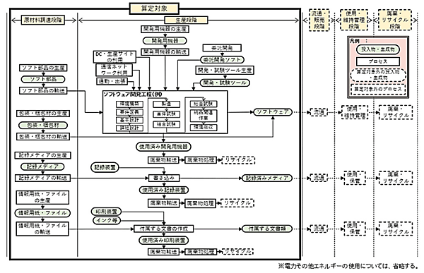
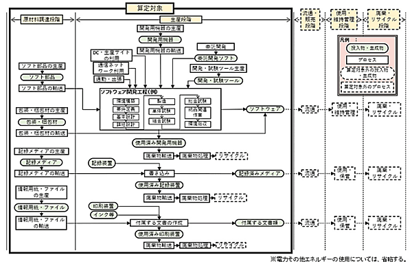
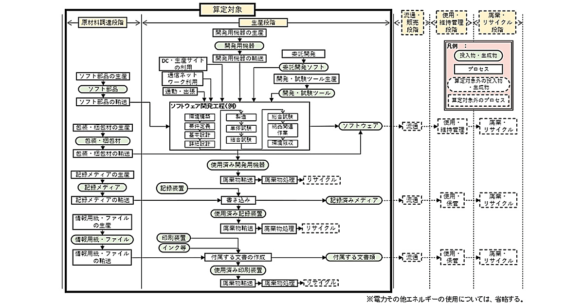
今回策定されたルールは、受託開発ソフトウェア製品の受注から生産・納品までを対象とした、ソフトウェア開発段階のCO2排出量の算定に関するもの。このルールの策定にあたって、開発用の端末やサーバの電力消費量を1台ずつ計測したほか、開発者の出勤状況などCO2排出に関わるデータを収集し、可視化して分析。それをもとに算定対象のプロセスや排出源を定義した、詳細な開発ライフサイクルフロー(図1)を作成した。これによって、開発者の排出削減努力を反映した算定が可能となっている。
図1 受託開発ソフトウェア製品のライフサイクルフロー
出所 日本電信電話株式会社 報道発表資料、「国内初、ソフトウェア製品に関するCO2排出量算定のルールを策定」、2024年3月29日
同ルールは経済産業省・環境省の「カーボンフットプリント ガイドライン」注1に整合しており、これによって客観的なCO2排出量の開示が可能となる。CO2排出量は開発前の設計値でも算定できるため、提案段階から開示や比較といったグリーン調達が可能となる。NTTでは、サプライチェーン全体のCO2削減につなげていきたいとしている(図2)。
図2 今回のルール策定によって目指す将来像
出所 日本電信電話株式会社 報道発表資料、「国内初、ソフトウェア製品に関するCO2排出量算定のルールを策定」、2024年3月29日
課題だった、ソフトウェア開発におけるCO2排出量算定
ソフトウェアは、PCやサーバなどのハードウェア機器を稼働させることで電力を消費し、それがCO2排出につながっている。近年は、AIや機械学習が普及しデータセンターの稼働率が高まるなどして、電力消費を押し上げている。今後の電力消費のシナリオで最悪の場合、2030年前後に全世界の半分をICT業界が占めるという予測も出ている。
一方、カーボンニュートラルの観点から各業界でサプライチェーン全体のCO2削減が急がれている。自社(スコープ1:自社が直接排出するCO2、スコープ2:自社が間接排出するCO2)だけでなく、サプライチェーンの上流および下流(スコープ3)を含むCO2排出量算定のために、利用されている製品やサービスのカーボンフットプリント注2に対する関心が高まっている。
しかし、ソフトウェア製品は無形物であり、工業製品(ハードウェア)のように明確な CO2排出量の計測や算定が困難だった。これまでもCO2排出量算定の方法はあったが、開発費用を参考とした金額ベースのものしかない状況であった。
今回のルール策定は、これら課題の解決につながると期待されている。
注1:経済産業省・環境省「カーボンフットプリント ガイドライン」、2023年5⽉
注2:カーボンフットプリント:Carbon Footprint of Products、炭素の足跡。ある製品やサービスがCO2などの温室効果ガスを、どの程度発生させているかを示す指標。
参考サイト
「国内初、ソフトウェア製品に関するCO2排出量算定のルールを策定」
日本電信電話株式会社 報道発表資料、2024年3月29日
「国内初、ソフトウェア製品に関するCO2排出量算定のルールを策定」
株式会社NTTデータグループ ニュース 2024年3月29日
「国内初、ソフトウェア製品に関するCO2排出量算定のルールを策定」
NTTアドバンステクノロジ株式会社 ニュース(2024年) 2024年3月29日
「国内初、ソフトウェア製品に関するCO2排出量算定のルールを策定」
NTTテクノクロス株式会社 ニュース プレスリリース 2024年3月29日
「国内初、ソフトウェア製品に関するCO2排出量算定のルールを策定」
NTTコムウェア株式会社 ニュースリリース 2024年3月29日
「国内初、ソフトウェア製品に関するCO2排出量算定のルールを策定」
株式会社クニエ NEWS RELEASE 2024.03.29
SmartGrid フォーラム2023年9月7日、「ソフトウェア分野におけるカーボンフットプリント策定支援事業がスタート!」













