国立大学法人広島大学と大陽日酸は2018年10月11日、アンモニア分解ガスから燃料電池車でも使える高純度の水素を高い効率で精製する装置を開発したと発表した。アンモニアが含む水素のうち90%を高純度水素として回収できるという。この装置は、国立研究開発法人科学技術振興機構が管理している、内閣府総合科学技術・イノベーション会議の戦略的イノベーション創造プログラム「エネルギーキャリア」の委託研究課題「アンモニア水素ステーション基盤技術」の一環として開発したものだ。
図 今回開発した装置の外観

出所 国立研究開発法人科学技術振興機構
アンモニア(NH3)は水素分子を多く含んでおり、水素運搬時にアンモニアの状態にする方法を有力視する声が多い。この仕組みでは、アンモニアから水素を取り出すときに、「アンモニア分解装置」で水素と窒素の混合ガスに分解し、「アンモニア除去装置」と「水素精製装置」で残存する微量のアンモニアと、窒素を除去する。これで、高純度の水素を精製できるわけだ。
今回は、窒素や不純物を除去する水素精製装置の改良に取り組み、高い効率で高純度水素を取り出す装置を開発した。一般に、水素精製装置では精製するガスに不純物に吸着する吸着剤を投入し、高い圧力をかけて吸着剤に不純物を吸着させる「圧力変動吸着法(Pressure Swing Adsorption法:PSA法)」という技術を使用する。不純物を吸着させた後で、圧力を下げると不純物を吸着した吸着剤を分離できる。
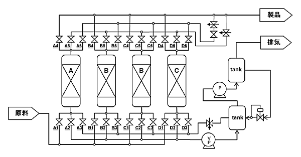
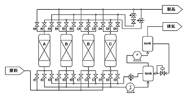
従来の水素精製装置では、圧力をかける「塔」を2つ使用して、PSA法を2回繰り返すことで純度の高い水素を得ていた。今回は塔を4つ使用してPSA法を4回繰り返し、さらにガスの流れを精密に制御することでガス回収率と精製する水素の純度を高めた。
図 4つの「塔」を用意して、PSA法を4回繰り返す

出所 国立研究開発法人科学技術振興機構
さらに精製装置の排ガスも利用して、水素精製時のエネルギー効率を改善した。精製装置の排ガスは微量の水素を含んでいるが、従来は排ガス量や水素含有量の変動が大きく、再利用することは難しかった。今回は、排気までのガスの流れを精密に制御して、排ガス量と水素含有量を一定にすることに成功した。そして、排ガスから水素を回収し、触媒で反応させることで、アンモニア分解に利用できるようになった。アンモニア分解は吸熱反応であり、分解させるときに加熱する必要がある。この加熱に排ガスから回収した水素を利用することで、エネルギー効率を80%以上に向上させた。
今回開発した精製装置は、水素が75%で窒素が25%の原料ガスを1時間当たり20Nm 3供給すると、高純度水素を1時間当たり13.5Nm3精製する。広島大学と大陽日酸は、これで実用規模となる1時間当たり300~1000Nm3の水素を精製する装置制作のめどが立ったとしている。












